Быстрая доставка
Доставка в день заказа
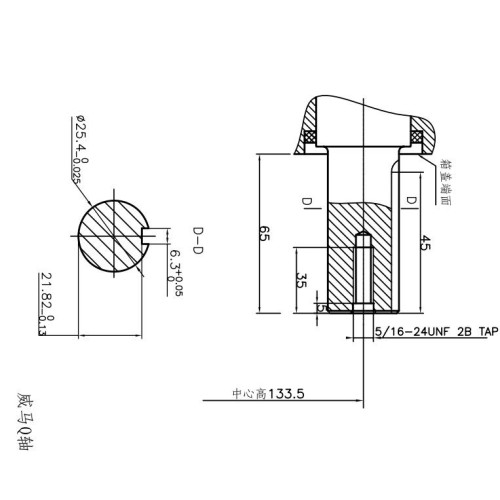
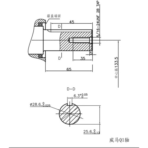
Двигатель бензиновый 2 цилиндра Weima WM2V78F, данная модель отличается от аналога размером выходного вала. Здесь хвостовик диаметром 28.6 мм. Крепление под шпонку. Направление вращения коленвала, против часовой стрелки. Не совсем стандартные размеры коленчатого-вала для моторов общего назначения, не являются проблемой, поскольку вы сможете подобрать необходимый шкив, способствующий вам в вашей работе, или укомплектовать двигатель центробежной муфтой сцепления, которая исключает холостой ход привода ремней. Защищает технику от нежелательного повреждения в момент стопора, или резкого замедления, агрегат избегает повреждений.
В коротком обзоре вы можете ознакомится с мотором вал под шпонку, но меньшего диаметра. В остальном - это идентичные модели.
Двухцилиндровый двигатель 20 л.с. 2V78FE, обладает рядом преимуществ перед любым известным аппаратом с 1-цилиндром. Выражается – это во всех параметрах. Он имеет более ровную, мягкую работу, за счет расположения поршней, которые равномерно движутся в синхронном порядке, тем самым исключая нежелательную вибрацию.
Экономичный двигатель 20л.с. Отличается низким расходом топлива, за счет технологии по которой он выполнен. Правильный наклон цилиндров, взвешенная работа поршней. Отлично отрегулированные карбюратор, производства Япония. Система зажигания нового образца, все эти моменты, положительным образом отразились на эффективности службы и сокращение бессмысленного сжигания горючего.
Область применения довольно обширная и затрагивает разные отросли. На предприятиях это устройство монтируют как двигатель на гидравлические насосы, пресса, конвейерные и транспортировочные ленты.
Используют в деревообрабатывающей промышленности, где нужен мощный двигатель на щепорез, или пилораму. Его ставят на фрезу дробилку пней и подобное похожую самодельную технику.
Одно из наиболее распространенных применений – это двигатель 20л.с. бензиновый на минитрактор. В этой сфере он завоевал наибольшую популярность, благодаря низкому расходу, внушительной силе и простоте в эксплуатации, агрегат заслужено получает положительные отзывы от своих владельцев.
Осуществить покупку можно у нас в интернет магазине Надо-Брать. Выбрать мотор с необходимыми параметрами, поможет наш специалист, проведя бесплатную консультацию по интересующему вас вопросу.
Заказать через корзину можно в любое время суток. Наш менеджер свяжется с вами, в рабочее время, для уточнения деталей.
Звонки по указанным телефонам, принимаются в течение всего рабочего дня, согласно графика работы.
Отправку выполняем в день поступления заказа, после проверки техники и заполнения сопутствующих документов. На весь товар компании Weima распространяется гарантия 12 месяцев + 1 год от нашей организации.
Сервисный центр. Расположен в одном из наших магазинов по адресу г. Харьков пр-т Гагарина 127а
Дополнительные точки выдачи ТЦ Барабашово площадка Гелиос маг.№1 и №4
Доставка в день заказа
Профессиональная консультация по Вашим вопросам
Вы можете оплатить наличным и безналичным рассчетом























